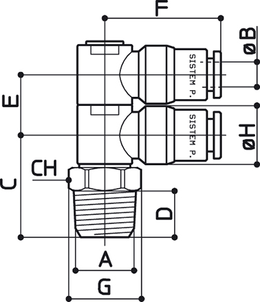
90 Girevole-2L Conico
90 2 Elbow Tapered Swivel
90 2 Equerres Orientables Conique
90 Doppel-Winkel-Einschraubanschluss, Einstellbar


| CODE | A | B | C | D | E | F | G | CH | CH1 | GR | |
|---|---|---|---|---|---|---|---|---|---|---|---|
| 904060T | R1/4 | 6 | 22 | 10 | 13 | 25 | 15,5 | 12,5 | 14 | 46 | 25 |
90 Girevole-2L Conico
90 2 Elbow Tapered Swivel
90 2 Equerres Orientables Conique
90 Doppel-Winkel-Einschraubanschluss, Einstellbar


| CODE | A | B | C | D | E | F | G | CH | CH1 | GR | |
|---|---|---|---|---|---|---|---|---|---|---|---|
| 904060T | R1/4 | 6 | 22 | 10 | 13 | 25 | 15,5 | 12,5 | 14 | 46 | 25 |