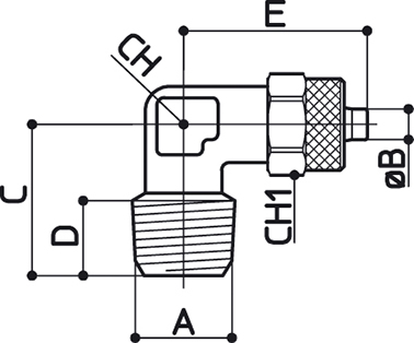
C21 Fisso-L Calzamento Metrico
C21 Fixed Metric Elbow Push On
C21 Equerre Fixe Conique Rapide
C21 Winkel-Einschraubverschraubung Schnellverschraubungen


| CODE | A | B | C | D | E | CH | CH1 | GR | |
|---|---|---|---|---|---|---|---|---|---|
| C2112128 | M12x1.25 | 8/6 | 21 | 9 | 22,5 | 10 | 14 | 24 | 25 |
C21 Fisso-L Calzamento Metrico
C21 Fixed Metric Elbow Push On
C21 Equerre Fixe Conique Rapide
C21 Winkel-Einschraubverschraubung Schnellverschraubungen


| CODE | A | B | C | D | E | CH | CH1 | GR | |
|---|---|---|---|---|---|---|---|---|---|
| C2112128 | M12x1.25 | 8/6 | 21 | 9 | 22,5 | 10 | 14 | 24 | 25 |