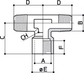
Z37 Raccordo-T fil. M.F.M.
Z37 Tee Fitting M.F.M.
Z37 Raccord-T M.F.M.
Z37 T-Aufschraub-Anschluss Mit 2 Aussengewinde


| CODE | A | B | C | D | E | F | CH | GR | |
|---|---|---|---|---|---|---|---|---|---|
| Z37030 | G3/8 | R3/8 | 28 | 26 | 21 | 11 | 17 | 66 | 10 |
Z37 Raccordo-T fil. M.F.M.
Z37 Tee Fitting M.F.M.
Z37 Raccord-T M.F.M.
Z37 T-Aufschraub-Anschluss Mit 2 Aussengewinde


| CODE | A | B | C | D | E | F | CH | GR | |
|---|---|---|---|---|---|---|---|---|---|
| Z37030 | G3/8 | R3/8 | 28 | 26 | 21 | 11 | 17 | 66 | 10 |